•產品描述:
U1H1L5N2D 是一款工作電壓達到500V的高性能半橋 IPM(Intelligent Power Module),即智能功率模塊。是一種高度集成的半導體器件,內部集成半橋驅動芯片和高速功率 MOSFET,具備體積小,性能高,散熱好等優點。U1H1L5N2D的高度集成性和豐富的功能使其成為各種工業和商業應用中的理想選擇,能夠提高系統性能和可靠性。
•主要特點:
●內置自舉二極管(IF 0.8A max) l 懸浮絕對電壓: 500V l 內置 500V/5A MOSFET l 負瞬態電壓高 l 柵極驅動電壓范圍 10V~20V l 輸入邏輯兼容3.3V、5V l 集成VCC和VBS欠壓保護 l 防交叉傳導邏輯 l 兩雙通道的匹配傳播延遲
•典型應用:
● 高速風筒 ●風扇 ● 電動工具
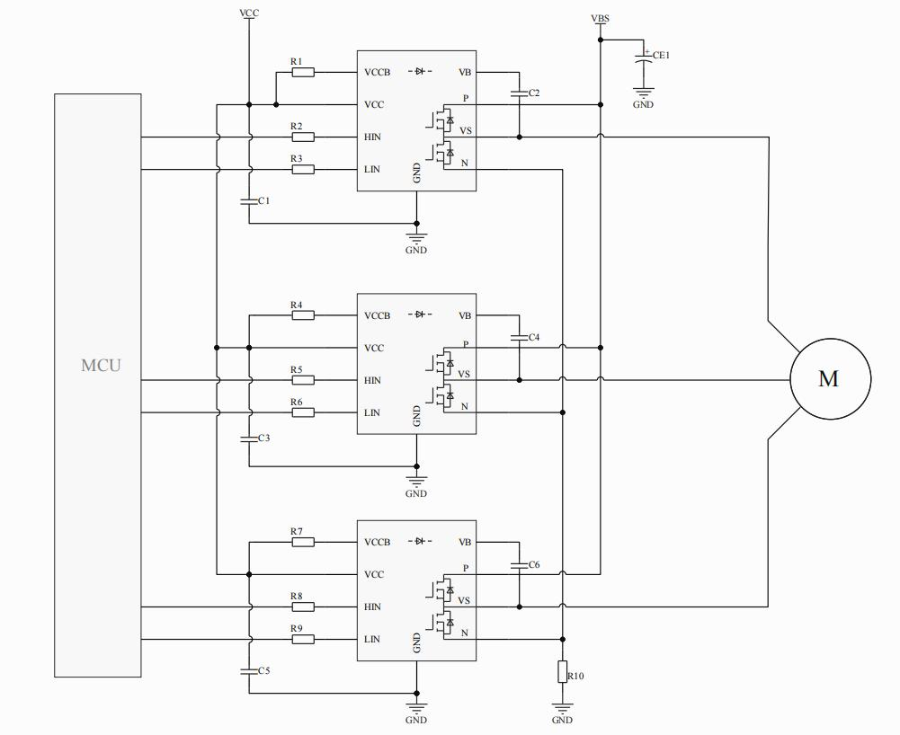
•簡易原理圖

Copyright ? 2015-2023 紹興宇力半導體有限公司
浙公網安備33060202001577
浙ICP備2020037221號-1
技術支持:藍韻網絡