•產品描述:U0138是一種高頻,同步,整流,降壓,開關模式轉換器,內部功率mosfet。它提供了一個非常緊湊的解決方案,在寬輸入供電范圍內實現1.5A峰值輸出電流,具有出色的負載和線路調節。U0138需要最少數量的現成外部組件,并且可以在節省空間的SOT23-6封裝中使用。
•主要特點:寬4V至30V工作輸入范圍;1.5A最大輸出電流;1.4MHz開關頻率;短保護與hiccup模式;內置過電流限制;內置過壓保護;強制pwm模式;內部軟啟動;200m0/150mQ低RDS(ON)內部功率mosfet;輸出可從0.8V調節;無需肖特基二極管;集成內部補償;熱關機;可在SOT23-6封裝;-40'C到+85'C的溫度范圍
•典型應用:閉路電視攝像機;平板電視和監視器;電池充電器;分布式電源系統
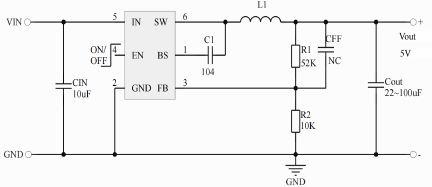
•典型應用電路:

Copyright ? 2015-2023 紹興宇力半導體有限公司
浙公網安備33060202001577
浙ICP備2020037221號-1
技術支持:藍韻網絡